江苏申宏阀门有限公司
网站首页
Home
关于我们
Nav
产品展示
Nav
新闻资讯
Nav
在线留言
Nav
联系我们
Nav
温度仪表
双金属温度仪表
氧化锆氧分析仪
热安装套管
压力变送器
压力表
液位仪表
流量仪表
管阀件
致力于制作仪表器材方向
行业质量的担当
设备齐全质量优
各环节严格质量品控
出货快价格实
工厂直销、保证低价
服务热线:
15251063188
产品分类
温度仪表
双金属温度仪表
氧化锆氧分析仪
热安装套管
压力变送器
压力表
液位仪表
流量仪表
管阀件
您只需一个电话,我们将提供合适的产品,竭诚为新老客户提供优质的服务!
产品详情
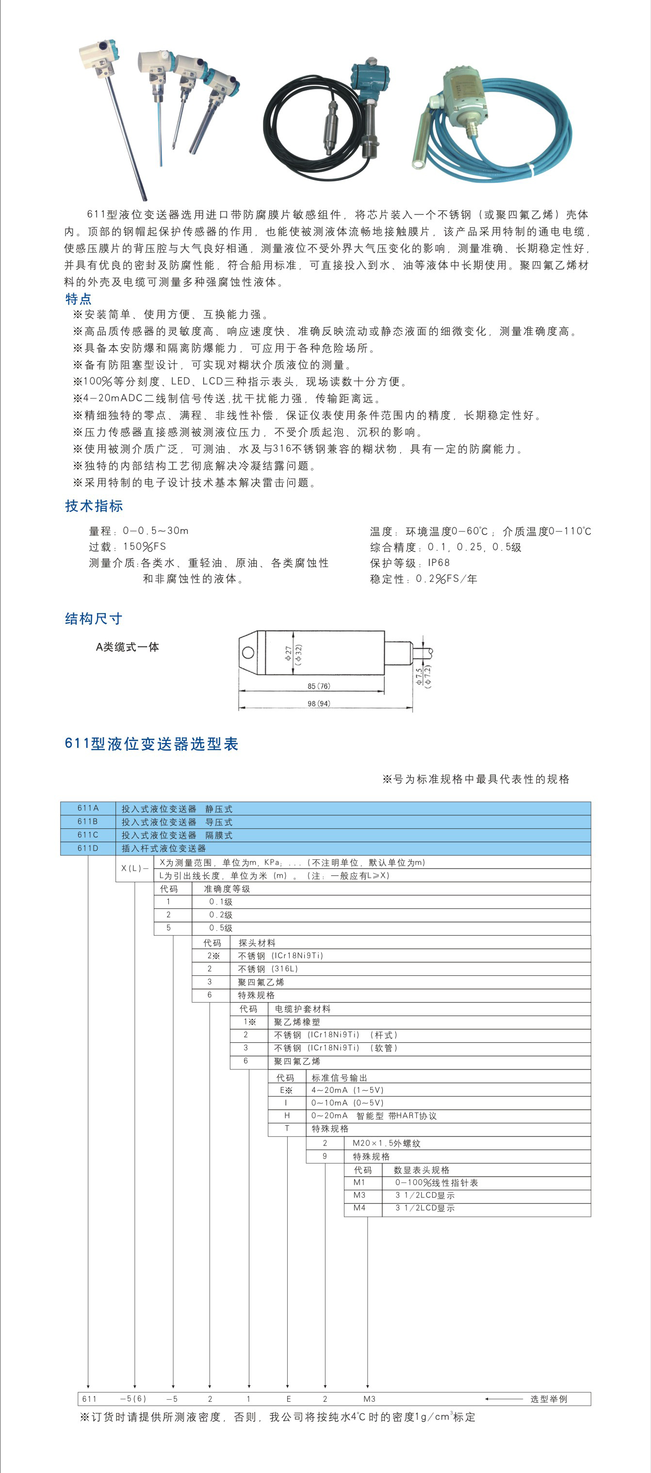
611型液位变送器
4 :
¥
0.00
4 :
0
产品详情
网站首页
产品中心
公司介绍
新闻中心
技术中心
在线留言
联系我们
版权所有(C):江苏申宏阀门有限公司
电话:0515-86251688 / 87150388 地址:江苏省建湖县经济开发区永兴路15号
免责声明:本网站有部分内容来自互联网,如无意中涉及第三方知识产权,请来电或致函告之,本网站会及时回复并改进。